Since inception, Cleco has grown to become a global manufacturing solutions provider. As a leading tool manufacturer with a history of over 120-year, Cleco has provided innovative tool solutions for industries including but not limited to Automotive, Aerospace, Appliances, Electronics & Industrial Assembly, Agriculture & Off-Road, Oil, Gas & Petrochemical.
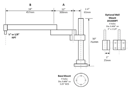
Cleco SBA-18-AH 520006 Single Balance Arm - Spring is designed to provide superior performance and durability. This Cleco Pneumatic Spring Balance Arms features ball bearing construction. Engineered to outlast and outperform the competition in the harshest environments, this Cleco Pneumatic Spring Balance Arm, also known as Torque Reaction-Balance Arm, supports tools weighing up to 5 lbs. It also features post, wall, or adjustable height post mounting.
Ordering Number: 520006 | Dimension A: 12" | Dimension B: 18" | Dimension D: 30"
|
Features:
|
![]() |

Looking for more information about Cleco Tool? Click here to view the Catalog
Need help selecting the correct Cleco Balance Arms for your application? Please call (800) 608-5210 or email info@intlairtool.com
warning WARNING: This or other products sold on this website may expose you to chemicals known to the State of California to cause cancer and birth defects or other reproductive harm.
For more information go to www.P65Warnings.ca.gov

